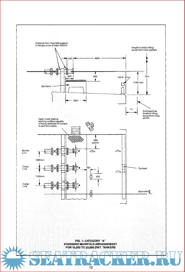
Recommendations for Oil Tanker Manifolds and Associated Equipment
Year: 1991 Language: english Author: OCIMF Genre: Guide Publisher: Witherby Publishing Group Ltd Edition: 4th ISBN: 1856090175 Format: PDF Quality: Scanned pages Pages count: 32 Description: This book of recommendations aims to provide conformity in manifold arrangements for all ocean-going tankers engaged in the transport of crude oil and bulk liquid petroleum products. This fourth edition includes guidance on vapour manifolds for the benefit of those operating tankers required to transfer cargo vapours ashore.
Comment: This publication is superseded by the first edition of Recommendations for Oil and Chemical Tanker Manifolds and Associated Equipment published in 2017.
You cannot post new topics in this forum You cannot reply to topics in this forum You cannot edit your posts in this forum You cannot delete your posts in this forum You cannot vote in polls in this forum You cannot attach files in this forum You cannot download files in this forum
Recommendations for Oil Tanker Manifolds and Associated Equipment
Language: english
Author: OCIMF
Genre: Guide
Publisher: Witherby Publishing Group Ltd
Edition: 4th
ISBN: 1856090175
Format: PDF
Quality: Scanned pages
Pages count: 32
Description: This book of recommendations aims to provide conformity in manifold arrangements for all ocean-going tankers engaged in the transport of crude oil and bulk liquid petroleum products. This fourth edition includes guidance on vapour manifolds for the benefit of those operating tankers required to transfer cargo vapours ashore.
Contents
Screenshots
Notice from: gillnumil [translate]
this publication already exists on the tracker and more new edition:
Recommendations for Oil and Chemical Tanker Manifolds - Oil Companies International Marine Forum [2017, PDF]
Author: Oil Companies International Marine Forum | Year: 2017 | Language: english | Format: PDF | Quality: Scanned pages + text layer | Pages count: 67 | Genre: Practical guide
Open released by janataly
OCIMF Recommendations for oil tankers manifolds and associated equipments [4th Edition 1991].pdf
Download [3 KB]
Share
Share
Share