5sb1 ®   20-Nov-2024 16:40

The Battleship HMS King George V


Year: 2013
Language: English, Polish
Author: Witold Koszela
Genre: Drawing
Edition: Kagero Topdrawings 17
Format: PDF
Quality: eBook
Pages count: 32
Description: At the beginning of the 1930s Britain was obliged not to build new battleships due to signed naval treaties. Standard displacement for any new battleship was limited to 35,000 tons with the caliber of main armament not exceeding 406 millimetres.
Britain was trying to impose the next treaty decreasing guns caliber even further to 356 mm.
Five King George V-class battleships eventually were armed with guns of such caliber.
Standard displacement limits compelled placing main guns in three separate turrets with two of them carrying four cannons each. King George V-class entered service in 1940. Out of the five battleships of this class ever built one was sunk (HMS Prince of Wales) while the other four survived the war and were scrapped in the 1950s.
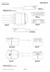
This book by Witold Koszela starts with the set of perfectly made detailed line drawings/scale plans of all King George V-class vessels.

Contents

24 pages
Double sheet B2 with the scheme, 1:350
2 double sheet A2 with the scheme and color profiles 1:450

Screenshots

The Battleship HMS King George V.pdf

Download [11 KB]

Thank U
Reply
refresh list

Similar releases

Τhe Battleship USS Massachusetts (TopDrawings 7046) - Koszela W. [2017, PDF]
Skoryi class Destroyer (TopDrawings 7082) - Koszela W. [2018, JPEG]
The Japanses Destroyer Akizuki (TopDrawings 7038) - Koszela W. [2016, JPEG]
The Battleship Vittorio Veneto (Super Drawings in 3D) - Cestra C. [2017, PDF]
The Battleship Richelieu (Super Drawings in 3D) - Sobucki A., Skwiot M. [2010, PDF]
Brazilian battleship Minas Gerais (Super Drawings in 3D) - Aliaksandr Sukhanevich [2024, PDF]
Τhe Cruiser Moskva (TopDrawings 7055) - Koszela W. [2017, JPEG]
Borodino Class Armored Ship - V.V. Arbuzov [1993, PDF]
266 - French Battleships 1914-45 - Ryan K. Noppen [2019, PDF]
Super-Battleships of World War I: The lost battleships of the Washington Treaty - Angus Konstam…
LOAD MORE
  • Reply

The time now is: Today 18:56

All times are GMT + 3 Hours