5sb1 ®   26-Nov-2024 16:16

HMS Belfast: In Trust for the Nation, 1939-1972


Year: 1972
Language: English
Author: John Wingate
Genre: Historical
Publisher: Profile Publications
Edition: Profile Book 4 Warship series
Format: PDF
Quality: Scanned pages
Pages count: 119
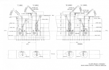
Description: When the HMS Belfast was transferred to a moorage in the Thames near the tower of London, Profile Publications produced this warship profile. Lots of pictures, a deck plan and good solid text are the features.

Contents

Screenshots

HMS Belfast (Profile Book 4).pdf

Download [11 KB]

Thank U
Reply
refresh list

Similar releases

Hms Campbletown profile warship - John Wingate [1971, PDF]
HMS Dreadnought, Battleship 1906-1920 - John Wingate [1970, PDF]
HMS Campbeltown (USS Buchanan) - Wingate J. [1971, PDF]
Warship Profile 4: KM Admiral Graf Spee, German Pocket Battleship 1932-1939 - Gerhard Bidlingmaier…
Imperial War Museum: HMS Belfast - Imperial War Museum [2009, PDF]
HMS Belfast - Cruiser 1939 (Seaforth Historic Ships) - Johnstone-Bryden R. [2013, PDF, EPUB]
HMS Cossack, Tribal Class Destroyers - David Lyon [1970, PDF]
German Navy Warships 1939-1945 - W. D. G. Blundell [1972, PDF]
HMS Belfast Pocket Manual - Blake J. [2018, PDF]
Anatomy of a ship, The Destroyer, The Sullivans - Al Ross [1988, PDF]
LOAD MORE
  • Reply

The time now is: Today 21:56

All times are GMT + 3 Hours